Productomschrijving
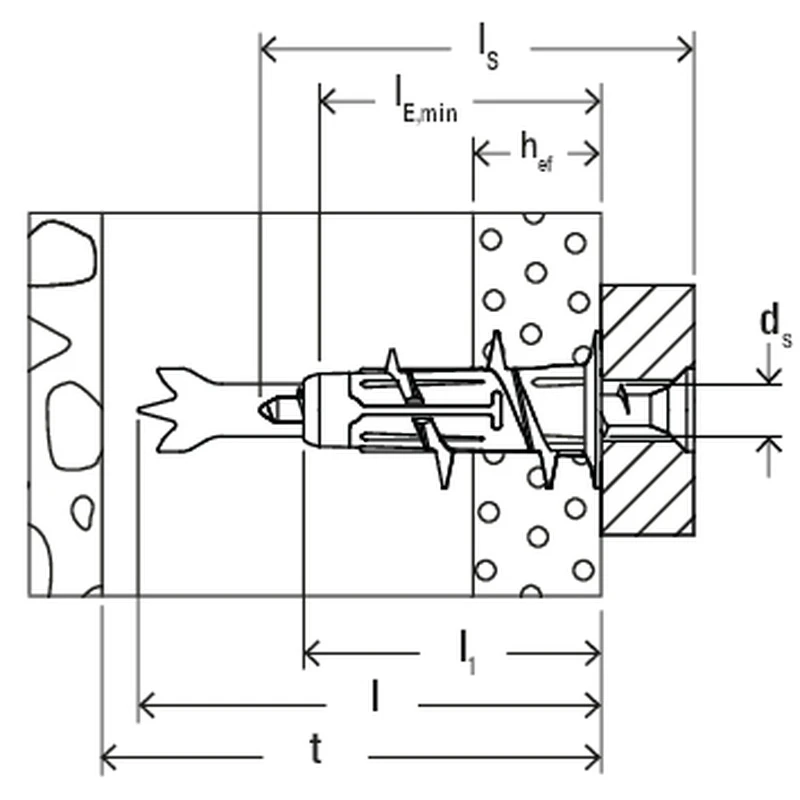
• Pluglengte 44mm
• Min. boorgatdiepte bij voorsteekmontage 50mm
• Min. dikte tot eerste draaglaag 50mm
• Min. inschroefdiepte 28mm
• Afmeting schroef 4-5mm
• Verankeringsdiepte 9,5-25mm
• De zelfborende gipsplaatplug voor een snelle en eenvoudige installatie
• Optimale feelgood factor – hoog koppel wanneer de plug goed is geïnstalleerd
• Anti rotatie vertanding voorkomt het meedraaien van de plug in het boorgat
• Voor gebruik met haken, schroeven en ogen
• PZ2 bit – hetzelfde bitje voor zowel plug als schroef





















Beoordelingen
Er zijn nog geen beoordelingen.